維修電工實訓總結報告500
時間:2025-01-14 23:41:48 點擊次數:
中人教儀廠

維修電工實驗--報告
本次維修電工實驗為期兩周,旨在提升學生對電工維修技術的掌控把握和應用能力。經過課堂學習掌控把握掌控把握掌控把握和實踐演練,學生們深入理解了plc實驗臺的原理與維修方法,并經過實際實操來解決常見故障。
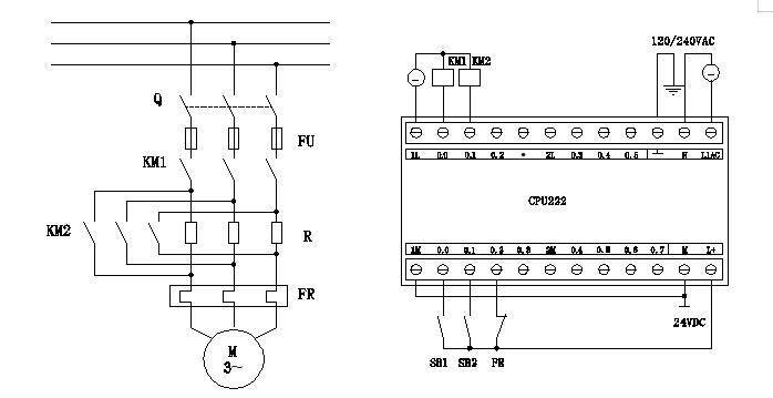
--在實驗的初期,我們經過課程課程課程理論學習掌控把握掌控把握掌控把握理解了PLC實驗臺的基礎構造和作業原理。PLC(Programmable Logic Controller)可編程邏輯控制器是一種用來自動化控制系統的數字運算裝置。學生們理解了PLC系統的含有概括部分,含有概括寫入輸出模型塊、中央處置整理器、存儲器等,并學習掌控把握掌控把握掌控把握了PLC的編程方法和常見的指令集。
--我們實行了實際的維修任務。在模仿的故障場景中,學生們需要快速定位問題、檢驗測量試驗故障點,并及時修復。我們重點培養了學生們的故障排除能力和實操技巧。--在遇到無法正常運行的PLC實驗臺時,學生們需要使用萬用表等測量試驗設備對線路實行測量,查找并修復連接故障、信號干擾等問題。
--實驗中還注重了安全意識的培養。在電工維修作業中,安全至關重要。經過引導學生們正確使用絕緣手套、搭設安全警示標識等實操方法,我們強調了安全實操的重要性,并提醒學生們注意維修過程中的電氣隱患,預防事故的發生。

實驗中,學生們不僅收獲了實踐經驗,還深入了對電工維修課程課程課程理論知識的理解。在解決PLC實驗臺故障的中,他們熟練掌控把握了維修工量具的使用方法,掌控把握了常見故障的排查與處置整理技巧。經過團隊合作和知識分享,學生們一起合作成長,并培養了團隊協作精神和問題解決能力。
在結束實驗后,我們實行了--和評估。學生們紛紛表示,經過這次實驗,對維修電工技術有了更深入的理解,對PLC實驗臺的維修更加熟練自如。--他們也認識到學習掌控把握掌控把握掌控把握的重要性,明白只有不斷學習掌控把握掌控把握掌控把握和實踐才能不斷提升自己的綜合素質。
維修電工實驗是一次寶貴的學習掌控把握掌控把握掌控把握機會,經過實踐實操和課程課程課程理論學習掌控把握掌控把握掌控把握的集合,學生們在維修電工方面得到了全面提升。將來,他們將能夠在實際作業中單獨完成各種電工維修任務,并為企業的正常運營做出自己的貢獻。
--本次維修電工實驗以PLC實驗臺為核心內容,經過課程課程課程理論學習掌控把握掌控把握掌控把握、實踐實操和團隊合作等多種形式,提升了學生??的技術水平和解決實際問題的能力。這次實驗不僅豐富了學生們的專業知識,也培養了他們的實踐能力和團隊協作精神。相信在今后的作業中,學生們會發揮所學所長,為電工維修事業做出積極貢獻。
常見問題:
1、如果我要購買維修電工實訓總結報告500,是否有安裝、培訓服務呢?
答:我們的設備如果沒有特別注明“不含安裝”“裸機價”“出廠”等字樣的,都是提供安裝、培訓服務的。
2、你們的維修電工實訓總結報告500是否能開增值稅專用發票?
答:可以的,我們是正規企業,并且已經升級到一般納稅人,可以開具增值稅專用發票,如果您需要開維修電工實訓總結報告500的發票,您需要提供開票資料。
3、你們的維修電工實訓總結報告500都是自己生產的嗎?都有什么產品資質?
答:我們公司是專業生產教學設備的企業,完全自主生產,并通過了最新版ISO9001認證,擁有多項專利與著作權。
本文來自網絡,不代表本站立場,圖片為參考圖片,轉載請注明出處:維修電工實訓總結報告500