
液壓試驗設備,機械創新實驗室圖片
定期對液壓油箱實行清洗和更換液壓油,保證油品清潔、無雜質。定期查驗系統各部位件的磨損情況,如有磨損應及時更換。定期查驗系統密封件的功能,如有老化或損壞應及時更換。
在機構動作創新設計的中,首先要明確設計目標。這含有概括了對機構動作功能的具體要求,如動作界限、動作精確度、動作速度等。隨后,需要運用機構學、動作學、動力學等知識,對機構實行初步的構造設計和動作解析。在這一階段,計算機數值數值數值輔助設計系統(CAD)和擬真系統發揮著重要作用,它們能夠幫助設計師快速組建機構模型,并實行動作擬真,以檢驗設計的合理性。
本實驗裝置可用來液壓傳動與控制技術的基礎實驗、綜合實驗和創新實驗等多個層次的教學。實驗內容可涵蓋液壓系統的基礎原理、液壓元件的功能測量試驗、液壓線路的設計與解析等方面。實驗方法可應用學生分組、團隊協作的方法實行,培養學生的團隊協作能力和解決問題的能力。
-材料選用也是設計過程中的一個難題。不一樣的材料設定有不一樣的機械功能,如強度、韌性和耐磨損損損性,這些特性對機構的功能有直接影響。解決這一問題的方法是實行材料功能測量試驗,選用*適合設計要求的材料。-還可以經過有限元解析(FEA)來評估不一樣材料在實際作業條件下的表現。
智能化設計:引入現代傳感器和數值處置整理技術,完成液壓系統的就地就地就地實時監測和數值收集,便利學生實行實驗解析和研究。
-我將繼續努力學習掌控把握掌控把握掌控把握和實踐,不斷提升自己的創新能力和實踐能力。我將繼續關注機械工程領域的前沿技術和發展趨勢,積極探索新的思路和方法,為機械工程領域的發展貢獻自己的力量。-我也將積極參與各種實踐活動和比賽,鍛煉自己的實踐能力和團隊合作精神,為未來的學習掌控把握掌控把握掌控把握和作業打下堅實的基礎。
實驗設計階段,我們按照課程課程課程理論解析的成果,設計了一套實驗裝置。該裝置應用模型塊化設計,便利調動和優化。實驗中,我們應用了多種傳感器和控制器,以完成對機構動作狀態的就地就地就地實時監測和控制。
查驗系統各部位件的油路連接是否牢固,有無泄漏情況。經過調動溢流閥,逐步多加系統壓力,查看壓力表讀數改變,保證壓力平穩在設定值界限內。
為了更好地監控和解析液壓系統的作業狀態,測量與顯露模型塊不可或缺。它含有概括壓力表、流量計、溫度(℃)(℃)(℃)計和各種傳感器,可以就地就地就地實時顯露系統的各項功能數值。
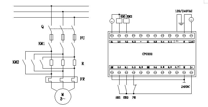
控制系統是液壓實驗臺完成自動化實操的關鍵。它主要應用電氣控制儲物儲物儲物柜、plc控制器、觸摸屏、傳感器等含有概括。電氣控制儲物儲物儲物柜內裝備有各種電氣元件和繼電器,負責完成電子線路的通斷和信號的變換。PLC控制器作為核心控制單元,按照預設的程序和傳感器反饋的信號,控制液壓泵的啟停、閥門的開閉以及執行元件的動作。觸摸屏作為人機交互界面,便運用戶設定實驗功能數值和查看實驗成果。傳感器則用來就地就地就地實時監測油液的溫度(℃)(℃)(℃)、壓力、流量等功能數值,保證實驗過程的安全和準確。
液壓閥綜合試驗臺,機構動作方案創新設計心得體會怎么寫啊英語
在現代工程教育中,機構動作創意集合實驗臺作為一種重要的教學工量具,不僅有助于培養學生的創新思維和實踐能力,而而而而且為機械系統設計提供了一個模仿實驗的平臺。-將從實驗臺的設計理念、制作過程、應用案例及未來發展等方面,詳細闡述機構動作創意集合實驗臺的制作與運用。

流量控制:經過流量控制閥調動液壓系統中的流量,以適用不一樣測量試驗需求。流量控制閥可以按照系統的流量改變自動調動閥口的開度,從而完成對流量的控制。
機械創新設計實驗室配備裝備裝備裝備了先進的機械設備和儀表器具,含有概括高精確度數控機床、三維(3D)(3D)(3D)打印機、激光切割機、材料試驗機等。這些設備為學生提供了從零件加工到整機裝配的完整工序技藝鏈,使學生能夠親身體驗機械制造的整個過程。-實驗室還配備裝備裝備裝備了先進的測量和檢驗測量試驗設備,如光學顯微鏡、硬度計、表面粗糙度測量儀等,用來測量和評估設備重量(kg)(kg)。
液壓執行元件模型塊是液壓系統的執行部分,負責將液壓能變換為機械能。該模型塊含有概括液壓缸、液壓馬達等元件。設計時需考慮執行元件的行程、速度、負載等功能數值,以適用不一樣實驗需求。-執行元件模型塊應設定有構造緊湊、功能平穩等特別點,便利學生實行實驗實操和解析。
模型塊化設計:本實驗裝置應用模型塊化設計,便利學生按照實驗要求自主集合搭建不一樣的液壓系統,提升實驗教學的靈活性和多樣性。
記錄全部事故和近失事故,并實行徹底的事故調查,以確定原因并采取預防措施。經過學習掌控把握掌控把握掌控把握過去的事故,可以提升未來的安全性。
參加培訓和學習掌控把握掌控把握掌控把握活動,提升自身的設計水平和創新能力。與同行保持密切聯系和合作,一起合作推動機構動作創新設計領域的發展。
在液壓實驗臺實行測量試驗時,需要對測量試驗過程中的數值實行收集和解析。數值收集系統通常含有概括傳感器、數值收集卡和計算機數值數值數值等部分。傳感器負責收集液壓系統的功能數值(如壓力、流量、溫度(℃)(℃)(℃)等),并將收集到的數值變換為電信號。數值收集卡則將這些電信號變換為數字信號,并傳輸到計算機數值數值數值中實行處置整理。
-機構動作方案創新設計實驗是一項復雜而充滿挑戰的任務。經過不斷學習掌控把握掌控把握掌控把握和實踐,我相信自己能夠逐步克服實驗中的困難和挑戰,提升自己的設計水平和創新能力。-我也期待與更多的同行交流ACACAC學習掌控把握掌控把握掌控把握心得和經驗,一起合作推動機構動作方案創新設計領域的發展。
在機構動作創新設計實驗中,我們面臨了諸多挑戰。這些挑戰不僅來自設計理念的突破,還涉及實驗實操的性、材料選用的合理性以及測量試驗環境的平穩性等方面。-將詳細闡述我們在實驗過程中遇到的問題以及我們如何解決這些問題。
在實驗臺的系統方面,除了基礎的控制程序外,還可以按照實驗需求研發特定的模仿和擬真系統。這些系統可以模仿液壓系統的動態響應,幫助研究人員和學生更好地理解系統的作業過程和功能特別點。
液壓實操臺布置圖片,機構動作方案創新設計實驗原理
-設計了一種新型液壓課程實驗裝置,該裝置應用模型塊化、集合化設計思路,設定有構造合理、實操簡便、功能齊全、安全可靠等特別點。經過實驗教學實踐,該裝置能夠有效提升學生的實踐能力和創新能力,對于提升液壓教學重量(kg)(kg)設定有重要意義。未來,我們將進一步優化裝置設計,引入更多先進技術,拓展實驗教學內容和方法,為培養高素質液壓傳動與控制技術人才做出更大貢獻。
在科技日新月異的今天,機械創新設計已成為推動工業發展的重要力量。我有幸參與了此次機械創新設計實驗,旨在經過實踐實操,深入理解機械設計的原理與方法,并嘗試將創新思維融入設計過程中。經過一系列的實驗環節,我深刻體會到了機械創新設計的魅力與挑戰。

在方案設計中,我深入學習掌控把握掌控把握掌控把握了各種傳動機構的原理和特別點,如齒輪傳動、帶傳動、鏈傳動等。經過比較解析,我選用了*適合本次設計的傳動方法,并實行了詳細的功能數值計算和優化。在這個中,我深刻體會到了機械設計中的嚴謹性和性。
液壓實驗臺的整體框體構造通常應用鋼質材料組建,以保證其堅固耐用和承重能力。框體構造設計注重平穩性和可調動性,經過螺栓連接和滑軌機構,完成各部位件的快速裝配和拆卸。-框體構造上設定有多個裝配孔和支撐架,便運用戶按照實驗需求裝配各種液壓元件和附件。
為了更具體地說明機構動作創新設計實驗中的問題與挑戰以及解決策略的應用效果,我們可以集合一些實驗案例實行解析。-在某型機器人手臂的動作創新設計實驗中,我們針對其動作軌跡復雜、精確度要求高等特別點,應用了基于計算機數值數值數值擬真的優化設計方法。經過對機器人手臂的動作學、動力學實行深入研究與解析,我們設計出了一種新型的動作機構與控制系統。在實驗中,該機構表現出了較高的動作精確度與平穩性,成功完成了預期的設計目標。
在計算機數值數值數值中,可以使用的數值解析系統對收集到的數值實行處置整理和解析。這些系統通常設定有強大的數值處置整理和解析功能,可以對數值實行濾波、集合、統計等處置整理,提取出有用的信息。經過對測量試驗數值的解析,可以評估液壓系統的功能,發現潛在的問題,為液壓系統的設計和優化提供有力支持。
液壓實驗臺作為現代機械工程中不可或缺的測量試驗設備,其作業原理涵蓋了液壓傳動、控制、測量與解析等多個方面。-將詳細闡述液壓實驗臺的作業原理,含有概括液壓系統的含有概括、液壓元件的功能、控制系統的調動方法以及數值收集與解析的方法。
機構動作創新設計實驗的核心在于設計。在實行實驗設計時,應充分考慮機構的動作功能、構造特別點、制造工序技藝和成本等因素。具體而言,應注意以下幾點:明確設計目標,保證設計的針對性和實用性。充分考慮機構的動作功能和構造特別點,選用合適的傳動方法、執行機構和支撐構造等。
打開實驗臺總電源,查驗電壓(V)(V)(V)是否平穩。開啟液壓油箱的加熱器,預熱液壓油至適當溫度(℃)(℃)(℃)(通常為20-50℃)。啟動液壓泵,查看泵運行是否正常,有無異常聲響或振動。
注意用電安全,避免觸電、短路等事故的發生。保持實驗場所的整潔和有序,避免雜物絆倒或設備碰撞。遇到緊急情況,應立即切斷電源、關閉設備,并采取相應的應急措施。
在實驗中,如發生異常情況或故障,應及時在記錄表中注明,并描述故障情況和處置整理方法。實驗結束后,應整理實驗數值,并填寫實驗報告,以供后續解析和參考。當系統出現故障時,應首先查看故障情況,解析可能的原因。
液壓支撐架試驗臺,機構動作方案創新設計心得體會怎么寫
在實行機構動作創新設計實驗前,應充分做好準備作業。-要熟悉實驗目的、原理及實操步驟,保證對實驗內容有全面而深入的理解。-查驗實驗所需的儀表器具、設備、工量具和材料是否齊全,并保證其功能良好、安全可靠。-還需制定詳細的實驗計劃,明確實驗步驟、時間安排和人員分工,保證實驗過程的有序實行。
經過這次機械創新設計實驗,我深刻體會到了機械設計的魅力和挑戰。我將以更加飽滿的熱情和更加扎實的基礎投身于未來的學習掌控把握掌控把握掌控把握和作業中去。我相信在未來的道路上我將不斷前行完成自己的價值和夢想。
機械創新設計實驗室是現代工程教育中不可或缺的重要含有概括部分,它集教學、科研、實踐和創新于一體,為學生提供了從課程課程課程理論到實踐、從基礎到前沿的全方位學習掌控把握掌控把握掌控把握平臺。在這個實驗室中,學生們可以接觸到*前沿的機械設計和制造技術,培養解決實際問題的能力,激發創新思維和創造力。

-我開始了創新設計的構思階段。在這個階段,我遇到了不少困難。如何將所學的課程課程課程理論知識應用到實際設計中,如何提出既設定有創新性又符合實際需求的設計方案,這些全部是擺在我面前的問題。-正是這些困難激發了我不斷探索和嘗試的熱情。我不斷思考、反復推敲,與同學們實行深入的交流ACACAC和討論。在這個中,我逐漸形成了自己的設計思路,并初步確定了設計方案。
進入設計環節,我們分組實行了頭腦風暴。大家圍繞著給定的設計主題,暢所欲言,提出了各種創新性的想法。我感受到了團隊的力量,每個人的思維碰撞全部激發出了新的靈感。在這個中,我學會了傾聽與尊重他人的意見,同時也提升了自己的創新能力。
安全保護模型塊是液壓實驗臺的重要含有概括部分,它含有概括緊急停止按鈕、過載保護、短路保護等,保證實操人員的安全。教學與演示模型塊通常含有概括多媒體教學系統、演示板和實操手冊等,用來輔助教學和指導實操。
針對以上問題,我計劃采取以下措施實行改進和提升。-我將加強對機構動作學原理的學習掌控把握掌控把握掌控把握,深入理解機構動作的基礎規律和設計方法。經過閱讀相關教學圖紙文檔實驗指導書及實驗指導書和參考書籍,參加學術講座和研討會,與同行交流ACACAC學習掌控把握掌控把握掌控把握心得,不斷提升自己的課程課程課程理論水平和實踐能力。
除了實驗研究外,機構動作創新實驗臺還可以用來教學和培訓。經過讓學生在實驗臺上實行內燃機機構的實踐實操和調動測量試驗,可以幫助學生深入理解內燃機機構的作業原理和動作特性,提升他們的實踐能力和創新能力。-實驗臺還可以為工程師和技術人員提供培訓和技能提升的機會,幫助他們更好地掌控把握內燃機技術的發展和應用。
遵循以上實操規程,可以保證液壓實驗臺的安全、平穩運行,為科研和教學提供有力保障。-實操者應不斷提升自身的技能和安全意識,保證實驗的順利實行。
在機械工程領域,機構動作方案的設計是完成機械系統功能的核心環節。-科技的不斷進步,對機構動作方案的創新設計提出了更高的要求。本實驗旨在探索機構動作方案的創新設計方法,并經過實驗檢驗其可行性與有效性。以下是對本次實驗的小結與建議。
在機構動作創新設計的實驗中,我們應用了多種創新方法。-引入了模型塊化設計理念。經過將機構分解為若干個單獨的模型塊,每個模型塊全部設定有特定的功能和動作特性,使得整個機構的設計更加靈活和可定制。-模型塊化設計還便利模型塊的替換和升級,提升了機構的適應性和可拓展性。
液壓實驗室中應有清晰的安全標識和警告標識,提醒實操者潛在的危險。嚴格遵守這些標識和警告,不要忽視任何安全提醒。