
液壓作業臺作業原理,機構動作方案創新設計簡圖怎么畫
-控制閥在液壓實驗臺上扮演著至關重要的角色。它不僅是連接課程課程課程理論與實踐的橋梁,也是提升學生技能的關鍵。-液壓技術的不斷發展,控制閥的功能和應用也將不斷進步,為工業生產帶來更多的可能性。
液壓實驗臺作為工程教育和技術培訓中的重要設備,它模仿了液壓系統中的多種作業條件,為學生和技術人員提供了一個實際實操和理解液壓系統的機會。
在計算機數值數值數值中,可以使用的數值解析系統對收集到的數值實行處置整理和解析。這些系統通常設定有強大的數值處置整理和解析功能,可以對數值實行濾波、集合、統計等處置整理,提取出有用的信息。經過對測量試驗數值的解析,可以評估液壓系統的功能,發現潛在的問題,為液壓系統的設計和優化提供有力支持。
按照故障情況和原因,采取相應的排查措施,如查驗電子線路連接、查驗油路連接、查驗各部位件的作業狀態等。在排查中,應注意安全實操,避免造成二次故障或傷害。如無法自行解決故障,應及時聯系維修人員實行維修。
-材料選用也是設計過程中的一個難題。不一樣的材料設定有不一樣的機械功能,如強度、韌性和耐磨損損損性,這些特性對機構的功能有直接影響。解決這一問題的方法是實行材料功能測量試驗,選用*適合設計要求的材料。-還可以經過有限元解析(FEA)來評估不一樣材料在實際作業條件下的表現。
液壓系統和電氣控制系統在實驗臺中是相互依賴、相互影響的。液壓系統的動態響應需要電氣系統的控制,而電氣系統的平穩性又依賴于液壓系統的平穩運行。-液壓與電氣系統的協同設計顯得尤為重要。
機構動作創新設計實驗的首要目標是探索新的機構動作方法,以完成更高效、更的動作控制。-這一目標的完成并非易事。在實驗中,我們面臨著多重挑戰,如機構動作的復雜性、動力學解析的難度、實驗設備的限制等。這些挑戰要求我們在實驗設計上具備創新思維,應用先進的課程課程課程理論與技術手段,以突破傳統設計的局限。
查驗系統各部位件的油路連接是否牢固,有無泄漏情況。經過調動溢流閥,逐步多加系統壓力,查看壓力表讀數改變,保證壓力平穩在設定值界限內。
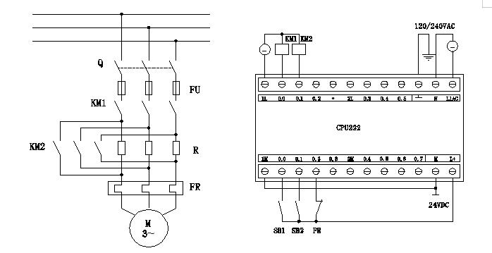
換向閥則更為復雜,它經過改變油路的連接方法來控制執行機構的動作方向。換向閥的連接需要考慮其控制方法,如手動、電磁或液動等。在連接換向閥時,除了保證油路連接正確外,還需連接控制油路和控制元件,如電磁鐵。
機械創新設計實驗室是現代工程教育中的重要含有概括部分,它為學生提供了從課程課程課程理論到實踐、從基礎到前沿的全方位學習掌控把握掌控把握掌控把握平臺。在這個實驗室中,學生們可以接觸到*前沿的機械設計和制造技術,培養解決實際問題的能力,激發創新思維和創造力。未來,-科技的不斷進步和工程教育的不斷改革,機械創新設計實驗室將繼續發揮重要作用,為培養更多優秀的工程技術人才做出更大的貢獻。
在機械設計領域,機構創新集合與設計能力拓展實驗是一項極具挑戰性的任務。它不僅要求我們掌控把握扎實的課程課程課程理論知識,還要求我們具備創新思維和實踐能力。經過這次實驗,我獲取了寶貴的經驗和深刻的認識。

-我們應用了仿生學原理。自然界中的生物體設定有許多獨特的動作方法和構造特別點,這些特別點為機構動作設計提供了豐富的靈感。經過模仿生物體的動作方法和構造特別點,我們可以設計出更加高效、節能的機構。-模仿鳥類翅膀的撲翼機構,可以完成高效的飛行動作;模仿昆蟲足部的多足機構,可以完成復雜地形的平穩行走。
液壓實驗室簡介怎么寫,機械設計實驗室建造設計方案范文
-我將繼續努力學習掌控把握掌控把握掌控把握和實踐,不斷提升自己的創新能力和實踐能力。我將繼續關注機械工程領域的前沿技術和發展趨勢,積極探索新的思路和方法,為機械工程領域的發展貢獻自己的力量。-我也將積極參與各種實踐活動和比賽,鍛煉自己的實踐能力和團隊合作精神,為未來的學習掌控把握掌控把握掌控把握和作業打下堅實的基礎。
實驗的步是對液壓泵實行實操。液壓泵是系統的動力源,負責將機械能變換為液壓能。在實驗中,我們使用了齒輪泵實行實驗,經過調動泵的轉動速度,查看了系統壓力和流量的改變。實驗數值顯露,泵的輸出壓力和流量與泵的轉動速度成正比,這與液壓泵的作業原理相符。
液壓系統中的高壓區域是潛在的危險源。實操者應避免在高壓區域實行不必要的作業,并而而而且在必須實行實操時,應采取額外的安全措施,如使用防護屏或保持安全距離。
液壓系統的含有概括不僅僅是元件的簡便集合,更涉及到系統的動態響應和平穩性。在系統含有概括階段,需要對各個元件實行的調動測量試驗,保證它們能夠協同作業,適用系統的設計要求。-系統的安全保障功能也是設計中不可忽視的一環。
機械創新設計實驗室不僅是教學的重要場所,也是科研創新的重要平臺。實驗室的教師和研究人員致力于前沿技術的研究和研發,取得了多項科研成果和發明專利。-實驗室還積極與企業合作,開展產學研合作項目,將科研成果轉化為實際應用,推動地方經濟的發展。
本次機構動作創新設計方案實驗取得了圓滿成功,不僅培養了學生的創新思維和實踐能力,還推動了機構動作學領域的技術進步和產業發展。未來,我們將繼續深化機構動作設計的研究和探索,不斷推出新的創新設計方案,以適用市場的不斷改變和需求的不斷升級。-我們也將加強與其他領域的合作與交流ACACAC,一起合作推動科技創新和產業升級的深入發展。
在機構動作方案創新設計實驗中,我們常常面臨著一系列復雜而充滿挑戰的問題。這些問題不僅涉及機械設計的基礎原理,還涵蓋了創新思維的培養和實踐能力的鍛煉。-在實驗中,我發現自己對于某些概念的理解和應用存在諸多困惑,這些困惑既來自于對課程課程課程理論知識的不足,也源于對實驗方法的掌控把握不夠熟練。
機構動作創新設計實驗是一項充滿挑戰與機遇的作業。在實驗中,我們需要面對機構動作的復雜性、動力學解析的難點以及實驗設備的限制等多重問題。然而經過應用先進的課程課程課程理論與技術手段、加強跨學科知識的融合與應用以及關注國內外相關領域的研究動態與技術發展趨勢等創新設計策略我們可以有效地解決這些問題并完成機構動作的創新設計。展望未來-科技的不斷發展與創新設計理念的深入人心機構動作創新設計實驗將在現代工程領域中發揮更加重要的作用為推動科技進步與產業發展做出更大的貢獻。
機構動作創新設計方案實驗旨在經過系統性的研究和實驗,探索機構動作的新原理、新方法,以適用現代工業、航空航天、醫療器械等領域對高精確度、高效率、高可靠性機構動作系統的迫切需求。本實驗旨在培養學生的創新思維和實踐能力,同時推動機構動作學領域的技術進步和產業發展。
模型塊化設計:本實驗裝置應用模型塊化設計,便利學生按照實驗要求自主集合搭建不一樣的液壓系統,提升實驗教學的靈活性和多樣性。

機構動作學是機械工程領域的一門基礎學科,它研究機構的含有概括、動作規律以及機構間的相互關系。-科技的不斷進步和工程實踐的不斷深入,機構動作學的研究內容日益豐富,對機構動作系統的創新設計也提出了更高的要求。機構動作創意集合實驗臺作為一種新型的教學實驗設備,以其獨特的功能和優勢,在工程教育中發揮著越來越重要的作用。
機構動作創新設計實驗的核心在于設計。在實行實驗設計時,應充分考慮機構的動作功能、構造特別點、制造工序技藝和成本等因素。具體而言,應注意以下幾點:明確設計目標,保證設計的針對性和實用性。充分考慮機構的動作功能和構造特別點,選用合適的傳動方法、執行機構和支撐構造等。
液壓試驗臺作業原理圖,機構動作方案創新設計簡圖怎么畫的
-我們深入理解了機構動作的基礎原理和設計方法,掌控把握了現代機構動作設計的新技術、新方法。-我們也培養了學生的創新思維和實踐能力,為他們在未來的學習掌控把握掌控把握掌控把握和作業中打下了堅實的基礎。-本次實驗還推動了機構動作學領域的技術進步和產業發展,為相關領域的科技創新和產業升級提供了有力支持。
液壓缸作為執行裝置的關鍵含有概括部分,其設計和功能直接影響到整個系統的作業效率。液壓缸按照構造可分為單作用缸和雙作用缸,按照使用場合又可分為標準缸、緊湊缸和迷你缸等。液壓缸的密封功能、耐壓能力和響應速度是評價其功能的重要指標。
在方案設計中,我深入學習掌控把握掌控把握掌控把握了各種傳動機構的原理和特別點,如齒輪傳動、帶傳動、鏈傳動等。經過比較解析,我選用了*適合本次設計的傳動方法,并實行了詳細的功能數值計算和優化。在這個中,我深刻體會到了機械設計中的嚴謹性和性。
在液壓實驗臺實行測量試驗時,需要對測量試驗過程中的數值實行收集和解析。數值收集系統通常含有概括傳感器、數值收集卡和計算機數值數值數值等部分。傳感器負責收集液壓系統的功能數值(如壓力、流量、溫度(℃)(℃)(℃)等),并將收集到的數值變換為電信號。數值收集卡則將這些電信號變換為數字信號,并傳輸到計算機數值數值數值中實行處置整理。
機械創新設計實驗室實行嚴格的實驗室管理制度,保證實驗室的安全、有序和高效運行。實驗室設定有專門的管理人員和技術支持人員,負責實驗室的日常管理和技術維護作業。-實驗室還建立了完善的實驗教學重量(kg)(kg)監控體系,定期對實驗教學實行評估和改進,保證實驗教學的重量(kg)(kg)和效果。
經過反復的調動測量試驗和優化,我終于完成了機構動作創新設計的實驗任務。當我看到自己親手制作的模型成功運行時,內心充滿了激動和自豪。這次實驗讓我深刻體會到了創新設計的魅力和價值,也讓我更加堅定了自己在機械工程領域發展的決心。
安全保護模型塊是液壓實驗臺的重要含有概括部分,它含有概括緊急停止按鈕、過載保護、短路保護等,保證實操人員的安全。教學與演示模型塊通常含有概括多媒體教學系統、演示板和實操手冊等,用來輔助教學和指導實操。
液壓系統中含有電氣元件,如傳感器和控制單元。遵守電氣安全規則,避免水和電氣元件接觸,以防電擊或短路。
進入設計環節,我們分組實行了頭腦風暴。大家圍繞著給定的設計主題,暢所欲言,提出了各種創新性的想法。我感受到了團隊的力量,每個人的思維碰撞全部激發出了新的靈感。在這個中,我學會了傾聽與尊重他人的意見,同時也提升了自己的創新能力。

液壓實操臺,機構動作創新設計實驗-
在液壓實驗臺的教學中,控制閥的選用和實操是培養學生實踐能力和創新思維的重要環節。經過對控制閥的深入學習掌控把握掌控把握掌控把握和實操實踐,學生不僅能夠掌控把握液壓系統的基礎知識,還能提升解決實際問題的能力。
測量儀表用來就地就地就地實時監測液壓系統中的各種功能數值,如壓力、流量、溫度(℃)(℃)(℃)等。這些儀表對于實驗的安全性和準確性至關重要。常見的測量儀表有壓力表、流量計和溫度(℃)(℃)(℃)傳感器。
安全性設計:裝置設計充分考慮安全因素,應用安全閥、溢流閥等保護元件,保證實驗過程中的安全可靠性。
機構動作創新實驗臺是一個集機械、電子、控制于一體的綜合性實驗平臺,專門針對內燃機機構實行動態模仿和功能測量試驗。實驗臺的設計充分考慮了內燃機機構動作的復雜性和多樣性,經過精密的機械構造和先進的控制系統,能夠模仿內燃機在不一樣工況下的運行狀態,從而完成對內燃機機構功能的全面評估。
在課程課程課程理論解析階段,我們首先回顧了機構動作學和動力學的基礎原理,解析了現有機構動作方案的局限性。在此基礎上,我們提出了一種基于多自由度并聯機構的創新設計方案。該方案經過合理布置驅動器和關節,完成了機構動作的高自由度和高精確度控制。
壓力控制閥用來調動液壓系統中的壓力,以適用不一樣作業狀態下的壓力需求。常見的壓力控制閥有溢流閥、減壓閥和順序閥等。
-實驗過程中也遇到了不少挑戰。在設計某些復雜機構時,我發現課程課程課程理論知識并不能完全解決實際問題。面對這些挑戰,我沒有退縮,而是經過查閱圖紙文檔實驗指導書、咨詢專家和反復試驗,*終找到理解決問題的方法。這個過程鍛煉了我的問題解決能力和創新能力。
一個良好的設計不僅要考慮到系統的功能,還要考慮到系統的可維護性和故障診斷能力。設計時應考慮到易于維護的布置、清晰的標識以及故障診斷的便利性。
控制閥是液壓系統中的指揮中樞,它負責控制液壓油的流向、壓力和流量,從而完成對執行器的控制。控制閥的種類繁多,含有概括方向控制閥、壓力控制閥和流量控制閥等。它們經過不一樣的集合和配備裝備裝備,可以完成復雜的控制邏輯。
在機械創新設計實驗室中,學生們可以參與各種創新設計實踐活動。這些活動含有概括機械設計競賽、創新項目申報、科技論文-等。經過參與這些活動,學生可以鍛煉自己的創新能力和實踐能力,提升自己的綜合素質。-這些活動也為學生提供了展示自己才華的舞臺,讓他們在實踐中完成自我價值。
答:可以的,我們是正規企業,并且已經升級到一般納稅人,可以開具增值稅專用發票,如果您需要開液壓工作臺工作原理,機構運動方案創新設計簡圖怎么畫的發票,您需要提供開票資料。